We are specialists in machined parts manufacturing serving our customers for over 35 years. Our advanced systems insure on-time delivery of quality parts. We are a full service machine shop that can produce any type of machined part, from high precision to simple parts, and in any quantity.
Though still small in comparison to others, Kennley was built on quality and delivery; in other words, the parts you need when you need them. Originally doing business with only a couple of large companies in and around the Richmond area, Kennley has expanded to serve businesses large and small.
Kennley manufactured parts can be found in a wide range of industrial applications including packaging, bedding, medical, aluminum can production, rail car bearing manufacturing, pharmaceutical packaging, food processing, aerospace equipment, and weaponry for the Department of Defense.
In all our products can be found in over 30 countries around the globe.
We work with engineering firms and research labs on a regular basis to assist in the creation of prototypes and functional designs.
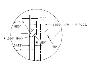
No matter how complex the print, Kennley Corporation can create it; from raw material to finished product, according to your specifications.
We have experience working in steel, stainless steel, brass, aluminum, cast iron and various forms of plastics and nylon.
We can accept most drawing files and solid model formats used in industry today. If you have a design idea and need assistance to get it into an effective drawing or solid model, we can assist you with that process through Solidworks in house.
Furthermore, if you have a sample of part or a worn out component that needs to be repaired or remade from scratch we can help.



